- product -
产品介绍:RL-E500Ex型隔爆多组分分析仪是一款专为危险环境设计的气体分析设备,适用于石油化工、工业烟气监测、沼气工程及焊接工艺等多种工业场景中的气体检测。 该产品采用隔爆设计,支持壁挂安装,具备高性能红外传感技术与一体化彩色显示界面,可在恶劣工况下实现连续……

RL-E500Ex型隔爆多组分分析仪是一款专为危险环境设计的气体分析设备, 该产品采用隔爆设计,支持壁挂安装,具备高性能红外传感技术与一体化彩色显示界面,可在恶劣 工况下实现连续、可靠的多组分气体分析。

高等级隔爆安全设计
通过专业隔爆认证,适用于易燃易爆 危险场所,确保在复杂工业环境中的 安全稳定运行
智能遥控中文界面
配备全中文人机界面与红外遥控操 作功能,支持参数设置、数据查询 与曲线分析,实现便捷的远程配置 与监控。
高性能传感与气路系统
采用高灵敏度传感器及稳流气路系统, 响应迅速,测量准确,抗干扰能力强
自诊断与自动化功能
具备开机自检、故障报警与自动标 定功能,支持系统状态实时监控与 异常诊断,提升设备维护效率与长 期可靠性。


存储间隔: 以秒为单位(任意设置)
存储点数:百万条+
防爆等级: Exdll CT6 /ExtDA21 IP65 T80
工作电压 :220-240VAC,50\60Hz /24VDC
触点输出: 双继电器输出
触点容量: 220VAC,2A/24VDC,1A
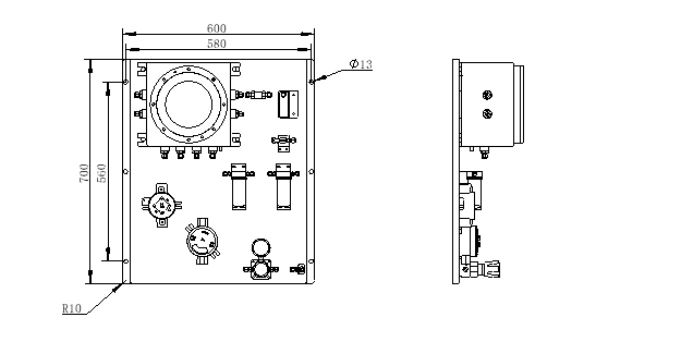
外形尺寸: 490mm (宽)×325mm (高)×265mm ( 深)
进出气口: φ6卡套接口(可定制)
整机重量:约35Kg
模拟输出: 4~20mA标准输出信号,负载电阻小于500欧(0~10V可选)
数字信号: 标准的RS485 或RS232 通讯口,可与计算机实现双向通讯
环境湿度: ≤90%RH
环境温度: -25 ~+55
入口压力: 0.05 MPa≤入口压力≤0.25MPa
样气流量 :(400±50)mL/min
样气要求: 无尘、无水、无油

|红外原理、激光原理、紫外原理、电化学原理、微流热导原理、磁氧工作原理 |
电化学:利用待测气体在传感器内部电解液中发生氧化或还原反应,产生与气体浓度成正比的电信号来进行测量。这种原理通常用于检测有毒气体和氧气。
激光:发射特定波长的激光穿过被测气体,气体分子会选择性吸收该激光的能量;通过测量激光强度被吸收的程度(吸收光谱),即可精确计算出气体的浓度。这种原理精度高、响应快。
磁氧:专门用于测量氧气。利用氧气具有高顺磁性(容易被磁场吸引)的特性。当样气进入磁场时,氧气分子会被吸引,从而引起诸如磁风或磁场压力的变化,通过检测这个物理变化来测出氧含量。
红外:基于气体对特定波长红外光的吸收特性。发射红外光穿过样气,待测气体分子会吸收一部分红外光能量;通过测量被吸收的能量大小,即可确定该气体的浓度。这种原理常用于检测CO2、CH4等气体。
热导:利用不同气体具有不同热导率的物理特性。通过测量传感器中热敏元件在样气中与在参考气体中散热速率的变化(表现为电阻值变化),来计算出待测气体的浓度,常用于检测氢气或高浓度背景气中的组分。陶瓷电容:主要用于测量水分(露点)。其核心是一个氧化铝陶瓷介质,它会吸附水分子;水分的多少会改变陶瓷的介电常数,从而引起电容变化;通过测量电容值即可换算出气体的湿度或露点温度。

适用于石油化工、工业 烟气监测、沼气工程及焊接工艺等多种工业场景中的气体检测。


返回顶部