- product -
产品介绍:RL-S100氧量分析系统是针对储罐、反应釜过程中测量氧气分析系统,在化工、高炉变压吸附制氧 工艺、医药、农药行业得到了广泛应用。由于这些行业所应用的场合、工艺、介质的特殊性,投料多 为易燃易爆物料,在离心机、反应釜运行中,极易起火、爆炸,需要对内腔……

RL-S100氧量分析系统是针对储罐、反应釜过程中测量氧气分析系统,在化工、高炉变压吸附制氧 工艺、医药、农药行业得到了广泛应用。由于这些行业所应用的场合、工艺、介质的特殊性,投料多 为易燃易爆物料,在离心机、反应釜运行中,极易起火、爆炸,需要对内腔进行氧含量进行控制,防止危险发生。 由于高炉变压吸附制氧工艺特殊性,气体成分中有粉尘水汽等干扰因素,会导致分析仪表检测精 度,甚至导致仪表无法正常工作,需要特殊定制预处理系统。



测量原理: 氧化锆3D离子流
被测气体 :O2
测量范围:0 ~30.00%
精 度 :≤1% FS
重 复 性: ≤1%
稳 定 性: 零点漂移≤1% FS/7d
量程漂移 ≤1% FS/7d
预热时间: ≤15S
样气流量: (400±50)ml/min
样气压力 :0.05Mpa≤入口压力≤0.25Mpa
数字输出: 标准的RS485/RS232 通讯口,可与计算机实现双向通讯
触点输出: 双继电器输出220VAC,10A 或24VDC,2A;
工作电源 :(220±20)VAC,(50±5)Hz;
环境温度 :-15℃-65℃
重 量: 35KG
样气要求: 无尘、无水、无油

高精度传感与智能控制
采用进口高精度氧传感器,结合单片机控 制技术,确保测量精度高、操作简便。
直观显示与便捷操控
配备高性能真彩显示屏,可同时显示测 量值、历史曲线及参数设置界面;支持 全中文操作,便于进行参数配置、标定、 测试,并可灵活调取历史记录和曲线。
先进气路预处理与独立状态切换
内置新型气路预处理系统及精密过滤器,具 有响应快、性能稳定、分析连续等优点;每 台分析仪均可单独切换至采样检测或维修 校准状态。
多路信号输出与智能控制
具备多路模拟输出功能,为终端系统提 供同步数据传输;同时通过智能点控多 路继电器,实现浓度报警及工作状态切 换信号的输出。

氧化锆传感器,是应用高温状态下的氧化锆的独特物理性质,使用氧化锆传感器通过测量样 气中的氧分压来测量氧。氧化锆传感器分为氧化锆锆电式、离子流(变频离子流/3D离子流) 三者区别: 1.氧化锆锆电势锆管需要要被加热到750℃左右,最低可测量10PPm以下。2.氧化锆变频离子流氧 分析器的测量范围为10PPm-25%02。3.氧化锆3D离子流氧分析器适用于测量高含量氧气。 优点:寿命长,检测范围非常宽,响应速度非常快,它们可以在几秒内对从百分比浓度到PPM浓度 以下的阶跃变化作出响应。 缺点:需要加热,功耗大。不能用于复杂工况,测量气体单一,只能测量氮中氧、氩中氧。氧化锆 变频离子流仪表,当氧的含量低于10PPm时,测量数据偏差过大,不宜使用。氧化锆氧分析器更 不能用于还原性气体、可燃性气体中的微量氧测量。



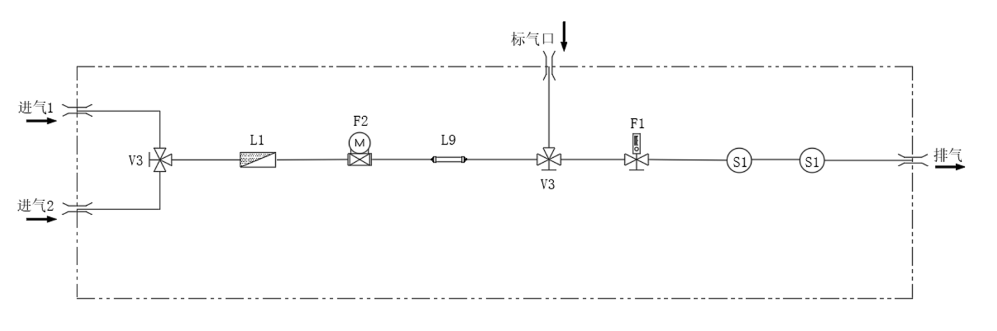
气路图

外形尺寸图
返回顶部